Vybírejte šipky pro zobrazení pohledů shora, zezadu, zespodu,
zprava a zleva.
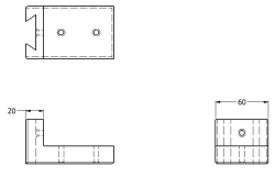
Náčrt šesti pohledů by vypadal obdobně jako na následujícím
obrázku:

Používají se dva typy pravoúhlého promítání - americké (ISO A) a
evropské (ISO E). Americké promítání je použito i v některých
dalších cvičeních tohoto dokumentu. Výše uvedený obrázek
popisuje oba dva druhy promítání. Pohledy na hrací kostku v ISO A
promítání vznikly "rozbalením" této kostky - rozbalením stěn kolem
pohledu ZEPŘEDU (porovnejte s prvním obrázkem tohoto cvičení). Názvy
pohledů, které nejsou uvedeny v závorkách, se týkají ISO A
promítání. Pohledy v ISO E promítání nevzniknou pouhým rozbalením
kostky jako u ISO A promítání, ale otočením kostky tak, aby
byla vidět požadovaná strana. Např.: díváte se na kostku
ZEPŘEDU (strana s hodnotou 5) a chcete zakreslit pohled ZLEVA.
Kostku proto musíte natočit doprava, takže pohled ZLEVA se nyní bude
nacházet vpravo od pohledu ZEPŘEDU (pohledu ZLEVA v ISO E promítání
odpovídá označení (ZLEVA), stěna kostky by měla mít hodnotu 3).
Obdobně, když budete chtít zobrazit pohled SHORA, musíte kostku
natočit směrem dolů. V ISO E promítání jsou tedy vzájemně prohozeny
pohledy ZPRAVA a ZLEVA a SHORA a ZESPODU.
Při rozbalení krychle jsou všechny pohledy ve vzájemném vztahu.
Až budete kreslit ručně, slabě nakreslete jeden pohled, a poté
použijte úsečky k nakreslení zbývajících pohledů.
Zapamatujte si, že pohled zepředu je vždy uprostřed a ostatní
pohledy jsou umístěny kolem něj. Jakmile určíte přední pohled na
objekt, jste schopni vytvořit i zbývajících pět
pohledů.