Over 1.121.000 registered users (EN+CZ).
AutoCAD tips, Inventor tips, Revit tips, Civil tips, Fusion tips.
The new Beam calculator, Spirograph generator and Regression curves in the Converters section.
New AutoCAD 2027 commands and sys.variables
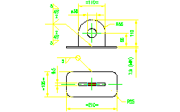
Block: Lifting Lug (Tanks)
|
Lifting Lug
LIFTING LUGS DIN TYPE
cat: Tanks
Downloaded: 8174x
Size 256,6kB • from 26.11.2008
Uploader: eolivae^ • Author: Eduardo R. Oliva • md5: a81e847d747da22410c1d5fa7c0a9ecc
Your voting:
Not logged in - cannot vote for blocks
Comments:
Not logged in - cannot attach block comments
No comments yet - be first to write one
CAD download: library block blok family symbol detail part element entourage cell drawing category collection free
![CAD Forum - ARKANCE Community - tips, tricks, discussion and utilities for AutoCAD, Inventor, Revit and other Autodesk products [www.cadforum.cz] CAD Forum - tips, tricks, discussion and utilities for AutoCAD, Inventor, Revit and other Autodesk products [www.cadforum.cz]](/common/arkance_186.png)


Block #1851
