Děkujeme za účast na konferenci CADfórum 2025 - podívejte se na reportáž
Přes 120.500 registrovaných u nás, celkem 1.109.000 registrovaných (CZ+EN).
Tipy pro AutoCAD 2026, pro Inventor 2026 a pro Revit 2026.
Vyzkoušejte nový přesný Kalkulátor,
vylepšený Převodník jednotek a
proměnné prostředí AutoCADu.
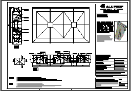
Blok: Aluprof_Assembly_MB-59S_Casement_2020 (Okna)
|
Aluprof_Assembly_MB-59S_Casement_2020
Outward-opening windows
kat: Okna
Staženo: 994x
Velikost 692,8kB • ze dne 22.05.2020
Vaše hodnocení:
Nejste přihlášeni - nemůžete hodnotit blok
| PODOBNÉ BLOKY: | |||
| Aluprof_Assembly_MB-SR50N_OW_2020: Awning-parallel outward-opening window for aluminium facades DWG Okna | B_Reynaers_SL38_Window Outward Opening_Single_Vent: B Reynaers SL38 Window Outward Opening Single Vent 60.5mm RFA Okna | ||
| A_Reynaers_SL38_Window Outward Opening_Single_Vent: A Reynaers SL38 Window Outward Opening Single Vent 82mm RFA Okna | A_Reynaers_SL38_Window Outward Opening_Single_Vent: A Reynaers SL38 Window Outward Opening Single Vent 60.5mm RFA Okna | ||
AutoCAD a další CAD produkty Autodesk získáte výhodně u firmy ARKANCE
Komentáře:
Nejste přihlášeni - nelze připojit komentáře bloků
Dosud žádné komentáře - buďte první
CAD download: knihovna rodina symbol detail součást prvek stafáž výkres kategorie kolekce free block library



Blok #18262