Děkujeme za účast na konferenci CADfórum 2025 - podívejte se na reportáž
Přes 120.500 registrovaných u nás, celkem 1.109.000 registrovaných (CZ+EN).
Tipy pro AutoCAD 2026, pro Inventor 2026 a pro Revit 2026.
Vyzkoušejte nový přesný Kalkulátor,
vylepšený Převodník jednotek a
proměnné prostředí AutoCADu.
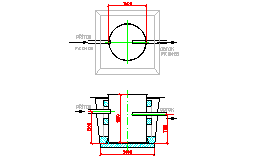
Blok: Plastová jímka pro malou ČOV (Voda, kanalizace)
|
Plastová jímka pro malou ČOV
Malá ČOV pro RD
kat: Voda, kanalizace
Staženo: 1572x
Velikost 75,5kB • ze dne 20.02.2009
Umístil: mull^ • Autor: FM • md5: 0c7aa6521e0addf7bd3d9a7202d47c19
Blok je k dispozici jen pro registrované členy webu CADforum.cz. Přihlaste se - registrace je bezplatná.
Vaše hodnocení:
Nejste přihlášeni - nemůžete hodnotit blok
| PODOBNÉ BLOKY: | |||
| Sanifos 2100: Přečerpávací jímka Sanifos 2100 B pro odpadní vodu RFA Voda, kanalizace | Sanifos 2100 B 3D: Přečerpávací jímka Sanifos 2100 B pro odpadní vodu DWG Voda, kanalizace | ||
| DČOV s nadrzou: domová čistička odpadových vôd Bioclar DWG Voda, kanalizace | water-tank: Nádrž naplněná vodou DWG _Různé-Jiné | ||
AutoCAD a další CAD produkty Autodesk získáte výhodně u firmy ARKANCE
Komentáře:
Nejste přihlášeni - nelze připojit komentáře bloků
Dosud žádné komentáře - buďte první
CAD download: knihovna rodina symbol detail součást prvek stafáž výkres kategorie kolekce free block library



Blok #4255